ДОЗИРУЮЩИЕ СИСТЕМЫ И НАСОСЫ
ООО "Квант" - официальный дилер Zhaochuan в России
info@kvant888.com
Контакты
+7 (996) 383-82-86
О Компании
Дозирующий насос для прядильного производства
Насосы для расплава клея
Насосы расплава
Высокоскоростной антикоррозийный шестеренчатый насос для низкой вязкости
Дозирующие насосы для масла
Насос с магнитным приводом
Дозирующий шестеренчатый насос для пищевых продуктов и лекарств
Фильтр расплава полимеров
Контакты
Фильтр расплава полимеров
Подобрать оборудование
Подобрать оборудование
Свечной фильтр горизонтального типа
Свечной фильтр вертикального типа
Двухканальные плунжерные фильтры расплава (2 фильтрующие перегородки, обратная п?
Свечной фильтр горизонтального типа
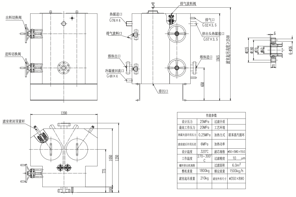
Фильтр расплава полимеров серии GLB (горизонтальный)
Подробнее
Основное применение: Высокополимерные
фильтрация расплава
Площадь фильтрации: 0.34-6 m2
Производительность: 21-1000 кг/ч
Максимальное давление: 25 МПа
Перепад давления: ≤6 МПа
Рабочая температура: ≤320 °C
Фильтр расплава полимеров серии GLB (горизонтальный)
Свечной фильтр вертикального типа
Фильтр расплава полимеров серии GLL (вертикальный)
Подробнее
Основное применение: Высокополимерные
фильтрация расплава
Площадь фильтрации: 3.5-36 m2
Производство: 10-200 т/д
Максимальное давление: 25 МПа
Перепад давления: ≤6 МПа
Рабочая температура: ≤320 °C
Фильтр расплава полимеров серии GLL (вертикальный)
Двухканальные плунжерные фильтры расплава (2 фильтрующие перегородки, обратная промывка)
Фильтр расплава полимеров серии GBZ (плунжерный тип)
Подробнее
Основное применение: Высокая фильтрация расплава полимера
тирование
Диаметры фильтрующих сит: 70-120 мм
Производительность: 80-300 кг/ч
Максимальное давление: 25 МПа
Перепад давления: ≤6 МПа
Рабочая температура: ≤320 °C
Фильтр расплава полимеров серии GBZ (плунжерный тип)