ДОЗИРУЮЩИЕ СИСТЕМЫ И НАСОСЫ
ООО "Квант" - официальный дилер Zhaochuan в России

info@kvant888.com
+7 (996) 383-82-86
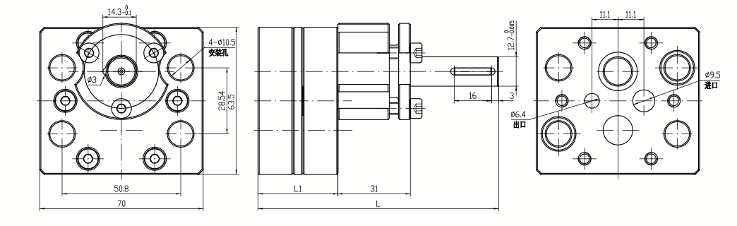
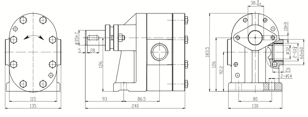
Дозирующий насос для прядильного производства
Полиэфирное /полипропиленовое волокно/нейлон
Основное применение: Полиэфирная, нейлоновая, полипропиленовая промышленная пряжа
Количество входов: 2
Количество выходов: 4
Диапазон производительности одного выхода: 10-30 куб. см/об
Скорость вращения: 5-40 об/мин
Перепады давления: ≤25 МПа
Рабочая температура: ≤330 °C
Температура промывки: ≤450 °C
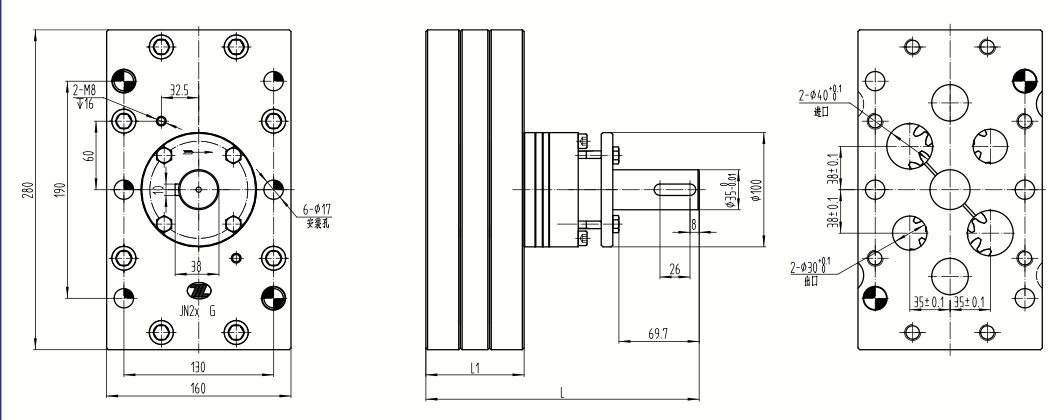
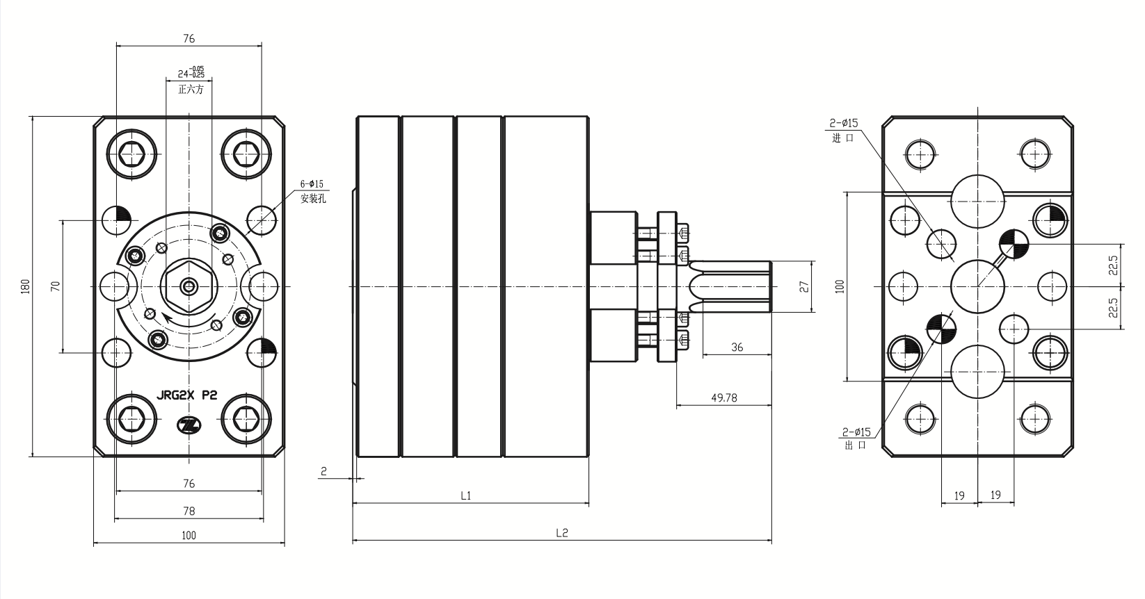
Планетарный дозирующий насос серии JRG-P
Основное применение: Полиэфирная, нейлоновая, полипропиленовая промышленная пряжа
Количество входов: 1
Количество выходов: 16
Диапазон производительности одного выхода: 0,9-30. куб. см/р
Скорость вращения: 5-40 об/мин
Перепады давления: ≤25 МПа
Рабочая температура: ≤330 °C
Температура промывки: ≤450 °C
Планетарный дозирующий насос серии XJRG
один в шестнадцать выходов -A2
Cпандекс
Основное применение: Spendex
Количество входов: 1
Количество выходов: 40
Диапазон производительности одного выхода: 0,3-1,6 куб. см/об.
Скорость вращения: 10-40 об/мин
Перепады давления: ≤4 МПа
Рабочая температура: ≤100 °C
Температура промывки: ≤100 °C
Прядильный дозирующий насос D
Тенсель
Основное применение: Tencel, прядение на растворителе
Количество входов: 2
Количество выходов: 2
Диапазон производительности одного выхода: 50-60 куб. см/об
Скорость вращения: 10-50 об/мин
Давление перепада: ≤20 МПа
Рабочая температура: ≤105 °C
Температура промывки: ≤100 °C

Дозирующий насос для прядильного производства эковаты
Основное применение: Вискозное прядение
Количество входов: 1
Количество выходов: 1
Диапазон производительности одного выхода: 100 куб. см/об
Скорость вращения: 15-80 об/мин
Давление перепада: ≤1,5 МПа
Рабочая температура: ≤100 °C
Температура промывки: ≤100 °C

Дозирующий насос для прядильного производства вискозы серии JN
Арамидное волокно
Основное применение: Арамид, углеродное волокно, прядение с растворителем
Количество входов: 1
Количество выходов: 1
Диапазон производительности одного выхода: 0,6-3,3 куб. см/р
Скорость вращения: 10-60 об/мин
Давление перепада: ≤2 МПа
Рабочая температура: ≤100 °C
Температура промывки: ≤100 °C
Дозирующий насос для сплавов серии FLB
Основное применение: Арамид, углеродное волокно, прядение с растворителем
Количество входов: 1
Количество выходов: 1
Диапазон производительности одного выхода: 50-80 куб. см/об
Скорость вращения: 10-60 об/мин
Давление перепада: ≤2,5 МПа
Рабочая температура: ≤100 °C
Температура промывки: ≤100 °C
Дозирующий насос для сплавов серии FLB
Акриловое волокно/карбоновое волокно
Основное применение: Акриловое волокно, углеродное волокно
Количество входов: 1
Количество выходов: 1
Диапазон производительности одного выхода: 25-50 куб. см/об.
Скорость вращения: 10-50 об/мин
Перепады давления: ≤4 МПа
Рабочая температура: ≤100 °C
Температура промывки: ≤100 °C
Дозирующий насос для карбонового волокна серии В